歡迎光臨 浙江電盟電氣有限公司 ! 服務熱線:13806866554
新聞資訊 News Center

220KV雙母線槽接線的倒母線操作解析

發布時間:2021-07-13 08:31:19 | 點擊:3359   

1、220kV變電站電氣主接線及正常運轉方法

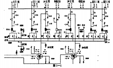
1.1一次主接線。圖1-1所示為220KV仿真綜合站的一次系統主接線圖,220KV仿真站內有兩臺三相三繞組有載調壓變壓器,有三個電壓等級220KV、110KV、35KV,接線組別為YO/Y0/A,冷卻系統為強迫油循環風冷系統。220KV系統為雙母帶旁母接線運轉,共有4回線路,有獨立的母聯斷路器和旁路斷路器。110KV系統為雙母帶旁母接線運轉,共有7條線路,有獨立的母聯斷路器和旁路斷路器。35KV系統為雙母帶旁母接線運轉,共有10條線路,有獨立的母聯斷路器和旁路斷路器。

1.2正常運轉方法。

1#、2#主變并排運轉;1#主變110KV、220KV中性點接地刀閘在合閘方位。220KV南、北母經母聯200斷路器并排運轉;其中:大萬I線221、1#主變201、雁萬ⅡI線225斷路器作業于南母,大萬線222、2#主變202、雁萬Ⅰ線226斷路器作業于北母。220KV旁母備用,旁路220斷路器熱備用于南母。

2、220kV母線槽倒閘操作的次序解析

2.1查看220KV母聯開關確在合閘方位。意圖:承認正付母線槽確在并排狀況,不然,合刀閘時或許發生用刀閘合環(相當于帶負荷合刀閘)或拉刀閘時發生用刀閘解環(相當于帶負荷拉刀閘)的誤操作事端,且母線槽壓差越大,危害越大,所以必定要查看母聯開關確在合閘方位。省中調規程規定:用刀閘解合環操作,設備主管單位應事先經過計算、實驗和同意,并對其安全性、可靠性擔任。

2.2將母差防護改為單母方法。根據各站母差防護配置的不同,做如下操作:(1)投互聯壓板;(2)投單母壓板;(3)將切換開關QK打至“損壞固定”方位。

關于BP-2B母差防護,當兩組母線槽刀閘同時合上時,設備主動判別為母線槽互聯,但為了確保在整個倒母線槽過程中,母線槽有毛病不經選擇元件,直接跳﹖條母線槽,確保人身設備安全,選用強制互聯。必定要在取母聯開關操作穩妥之前將母差防護改為單母方法。不然如果任一條母線槽毛病,都將是母聯失靈啟動跳開另一條母線槽,延誤了母線槽毛病切除時刻,有或許形成系統安穩損壞。

2.3查看母差防護不平衡電流正常。關于微機防護母差不平衡電流應不大于10OMA,PMH-3型不大于10MA也是一項反措,意圖是比較倒母線槽前后母差不平衡電流的巨細,關于PMH-3型母差防護可以及時發現開關母差CT連片接觸是否杰出,以便及時發現異常。

2.4停用母聯開關操控電源空氣開關。倒母線槽之前要取母聯操作穩妥,其意圖是為了防止在倒排過程中,母聯開關偷跳,形成用刀閘解合環的誤操作事端。

2.5將電壓切換開關K由“排列”打至“并排”方位。雙母線槽正、副母PT二次并排的條件。(1)母聯開關在運轉狀況:(2)BK開關在“并排”方位;(3)有一組PT刀閘擺開。

這是一項反措,有的變電站是主動并排,K開關一直打在“并排”方位。但正常時二次并不并排,只有當母聯開關運轉時(1G、2G和DL在合閘方位)一組PT刀閘(1G或IIG)擺開后,二次才并排。

2.6查看付母線槽負荷確已全部倒至正母線槽(對一次設備進行進一步的承認)。

2.7擺開付母線槽壓變二次空開。母聯壓變二次空開的操作要在帶電的情況下投停,其意圖也是為了防止二次反充電(為何防止PT二次反充?這是由于PIT正常運轉時相當于變壓器的一種特殊運轉方法,其二次側是電壓線圈,阻抗很大,相當于開路。PT相當于內阻極小的電壓源,當PT由二次向一次充電時,將在一次發生很高的電壓,一次側很小的電流就會在二次發生很大的電流,輕則二次空開跳開,重則會形成人身和設備損壞事端,所以是絕不允許反充的)。

2.8合上母聯開關操控電源空氣開關。

2.9將電壓切換開關K由“并排”打至“排列”方位。意圖是斷開電壓的二次并排。

2.10查看母差不平衡電流正常(與倒母線槽前作一比較,應無較大變化)。

2.11退出互聯壓板。在合上母聯開關操控電源空氣開關后再退出互聯壓板,也是為了避免如果一條母線槽毛病,是母聯失靈啟動跳開另一條母線槽,延誤了母線槽毛病切除時刻,有或許形成系統安穩損壞。

2.12擺開母聯開關及兩側刀閘。2.13擺開副母線槽壓變刀閘。

2.14驗電合母線槽接地刀閘或掛地線。

2.15按下母差防護屏信號復歸按鈕。

2.16至于電度表切換,有的習慣于倒完母線槽后再切換,有的習慣于斷開母聯開關操控電源后就切換,根據習慣而定,但要統一。

3結束語

本文就雙母線槽接線倒母線槽操作的各個危險點做了詳細的剖析并提出了防范措施,實踐證明這些防范措施是有效的,可以確保操作的安全。

浙江電盟電氣有限公司是國內專業生產母線槽軟連接伸縮節密集型母線槽等系列產品